正航儀器設備技術組合機床 滑套進給式動力頭 精度檢驗
文章出處:正航儀器
人氣:
發表時間:2015-08-20
正航儀器設備技術組合機床 滑套進給式動力頭 精度檢驗
1 范圍
本標準規定了組合機床滑套進給式動力頭的幾何精度要求和檢驗方法。
本標準適用于組合機床及其自動線的滑套進給式動力頭。
2 規范性引用文件
下列文件對于本文件的應用是必不可少的。凡是注日期的引用文件,僅注日期的版本適用于本文件。凡是不注日期的引用文件,其版本(包括所有的修改單)適用于本文件。
GB/T 17421.1—1998 機床檢驗通則第 1 部分:在無負荷或精加工條件下機床的幾何精度
3 簡要說明
3.1 滑套進給式動力頭的名義尺寸為相應滑臺的滑鞍寬度,等于滑套式動力頭的底寬。
3.2 使用本標準時,應按照GB/T 17421.1 的規定。
3.3 本標準所列出的檢驗項目順序,并不表示實際檢驗次序,為了便于裝、拆檢驗工具和檢驗方便,可按任意次序進行檢驗。
3.4 檢驗時,當實測長度與本標準規定的測量長度不同時,公差根據GB/T 17421.1—1998 中2.3.1.1 項的規定,按實測長度折算,折算結果小于0.005 mm 時,按0.005 mm 計。
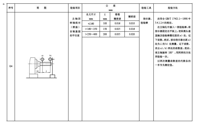
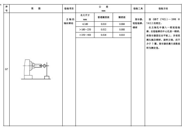
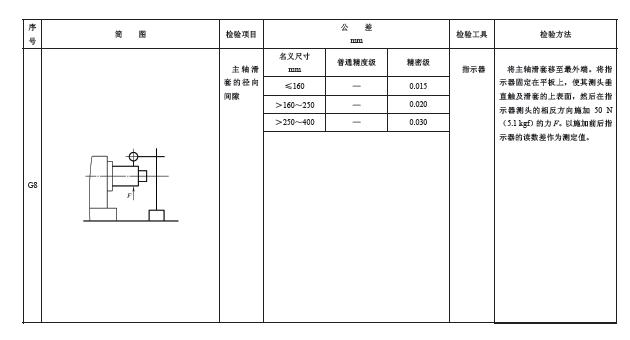
4 幾何精度檢驗
將未安裝傳動裝置的滑套進給式動力頭放在平板上,進行下列各項檢驗。
1 范圍
本標準規定了組合機床滑套進給式動力頭的幾何精度要求和檢驗方法。
本標準適用于組合機床及其自動線的滑套進給式動力頭。
2 規范性引用文件
下列文件對于本文件的應用是必不可少的。凡是注日期的引用文件,僅注日期的版本適用于本文件。凡是不注日期的引用文件,其版本(包括所有的修改單)適用于本文件。
GB/T 17421.1—1998 機床檢驗通則第 1 部分:在無負荷或精加工條件下機床的幾何精度
3 簡要說明
3.1 滑套進給式動力頭的名義尺寸為相應滑臺的滑鞍寬度,等于滑套式動力頭的底寬。
3.2 使用本標準時,應按照GB/T 17421.1 的規定。
3.3 本標準所列出的檢驗項目順序,并不表示實際檢驗次序,為了便于裝、拆檢驗工具和檢驗方便,可按任意次序進行檢驗。
3.4 檢驗時,當實測長度與本標準規定的測量長度不同時,公差根據GB/T 17421.1—1998 中2.3.1.1 項的規定,按實測長度折算,折算結果小于0.005 mm 時,按0.005 mm 計。
4 幾何精度檢驗
將未安裝傳動裝置的滑套進給式動力頭放在平板上,進行下列各項檢驗。






此文關鍵詞:
同類文章排行
- PCT高壓老化試驗與HAST高壓老化試驗
- HAST高壓老化試驗箱操作步驟
- hast試驗箱工作原理
- 測量與計量的關系及區別
- 鹽霧試驗箱
- 鹽霧老化試驗箱的鹽霧沉降量是多少
- 鹽霧試驗箱保障產品耐腐蝕性的重要工具
- 如何正確評估鹽霧試驗箱的性能?
- 正航分享鹽霧試驗箱不噴霧的原因及解決方法
- 鹽霧實驗箱的原理與應用
最新資訊文章
- 水冷式冷熱沖擊箱送貨深圳老客戶公司
- 512L水冷式轉鼓氙燈老化試驗箱, 15
- PCT高壓加速老化試驗箱發貨韶關老客戶公
- 防水試驗箱(IP3456等級)送貨東莞客
- 水冷式冷熱沖擊試驗箱送貨佛山客戶公司
- 定制冷熱沖擊箱發貨湖北武漢老客戶公司
- 80L三箱式冷熱沖擊箱發貨江西客戶公司
- 三箱式冷熱沖擊試驗箱送貨廣州老客戶公司
- 冷熱沖擊箱發貨重慶客戶公司
- 可靠性環境實驗設備發貨南京
- 鹽霧試驗箱日常維護技巧
- 鹽霧試驗箱應該如何正確地使用?
- 鹽霧試驗箱的原理與應用
- 鹽霧試驗箱使用小技巧
- 如何選擇合適的鹽霧試驗箱
- 鹽霧試驗箱產品耐用性測試
- 鹽霧試驗箱的濕度控制技巧
- 鹽霧試驗箱守護產品質量
- 鹽霧試驗箱助您提升產品競爭力
- 鹽霧試驗箱提升測試效率
聯系我們

咨詢熱線:
400-822-8565